
6 AKR 630 IX
6 AKR 630 IX
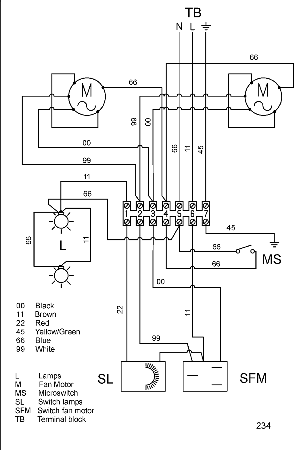
Wiring Diagram

Technical Data
Electricity
Voltage | 230-240 | V |
Frequency | 50 | Hz |
Power
Total | 320 | W |
Fan motor | 2x120 | W |
Illumination | 2x40 | W |
Nominal air flow
Speed 1
External exhaustion | 199 | m³ /h |
Recirculation | 188 | m³ /h |
Speed 2
External exhaustion | 281 | m³ /h |
Recirculation | 268 | m³ /h |
Noise level
Speed 1
External exhaustion | 55 | dB (A) |
Recirculation | 62 | dB (A) |
Speed 2
External exhaustion | 65 | dB (A) |
Recirculation | 67 | dB (A) |
Distance from cooking area
Electric | 650 | mm |
Gas | 750 | mm |
Air exhaust
Flange | ø 120 | mm |