
6 AKR 638 IX
6 AKR 638 IX
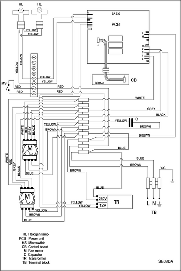
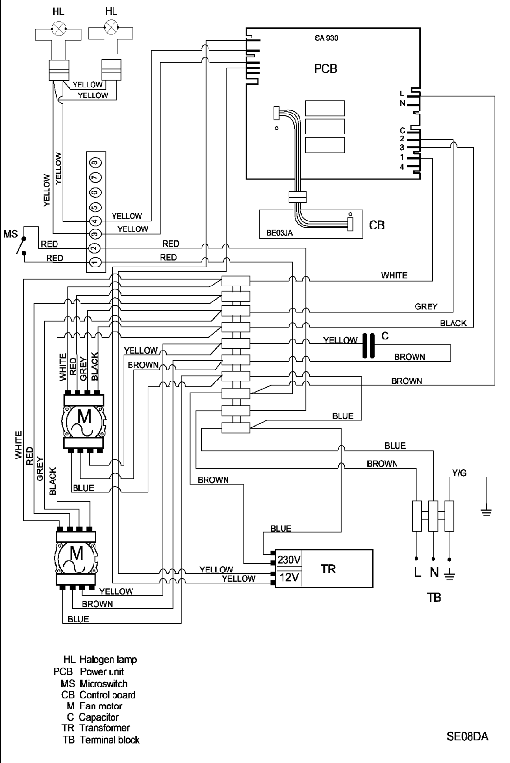
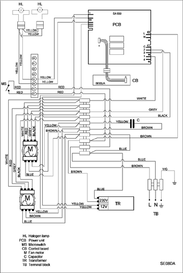
Wiring Diagram

Technical Data
Electricity
Voltage | 230 | V |
Frequency | 50 | Hz |
Power
Total | 260 | W |
Fan motor | 2x110 | W |
Illumination | 2x20 | W |
Nominal air flow
Speed 1
External exhaustion | 373 | m³ /h |
Recirculation | 257 | m³ /h |
Speed 2
External exhaustion | 482 | m³ /h |
Recirculation | 310 | m³ /h |
Speed 3
External exhaustion | 568 | m³ /h |
Recirculation | 334 | m³ /h |
Noise level
Speed 1
External exhaustion | 47 | dB (A) |
Recirculation | 60 | dB (A) |
Speed 2
External exhaustion | 61 | dB (A) |
Recirculation | 65 | dB (A) |
Speed 3
External exhaustion | 65 | dB (A) |
Recirculation | 67 | dB (A) |
Distance from cooking area
Electric | 650 | mm |
Gas | 750 | mm |
Air exhaust
Flange | ø 150 | mm |