
6AKP 238/WH
6AKP 238/WH
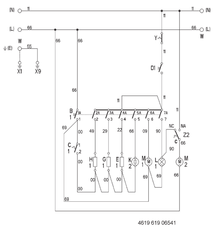
Wiring Diagram

Technical Data
Electrical Base Data
Rated Voltage | 230-240 | V |
Main Connection | 230 - 240 V 1N~ 50 | Hz |
Power Consumtion
Total Connected Load | 2400 | W |
Upper Heating Element/Grill | 860 / 2400 | W |
Lower Heating Element | 1000 | W |
Electrical Components
Auto Timer | Automatic Off |
Accessories
Pan Set Enameled | 375 x 445.5 | mm |
Grid Chrome | 446.5 x 340 | mm |