
6AKP635/WH
6AKP635/WH
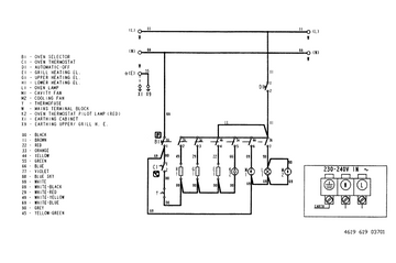
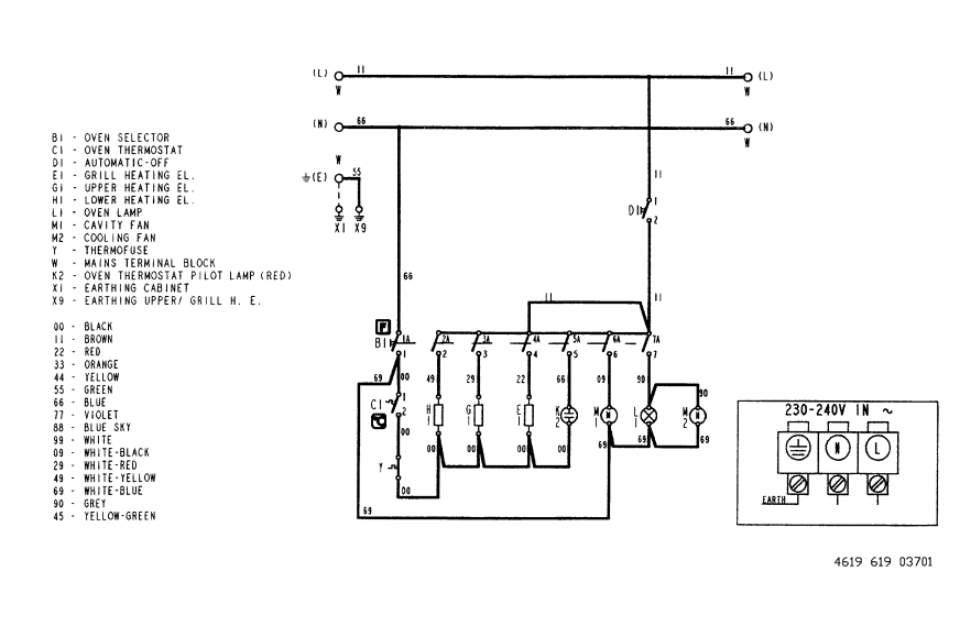
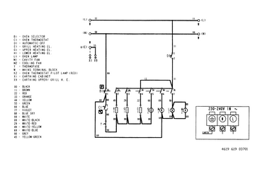
Wiring Diagram

Technical Data
Electrical base data
Rated Voltage | 230 - 240 | V |
Main Connection | 230 Hz - 240 V 1N~ 50 | Hz |
Power Consumption
Usable simultaneously | 2400 | W |
Upper heating element | 860 | W |
Lower heating element | 960 | W |
Grill heating element | 2400 | W |
Power Consumption | - |
Electrical components
Auto timer | Automatic-off |
Accessories
Grid chrome | 446.5 x 340 | mm |
Pan set enameled | 415 x 318 | mm |