
6AKR428 WH
6AKR428 WH
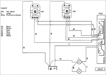
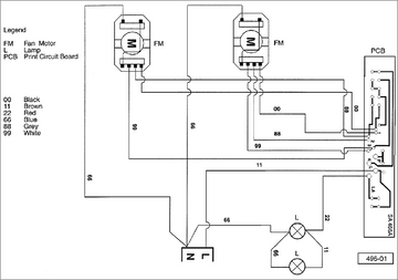
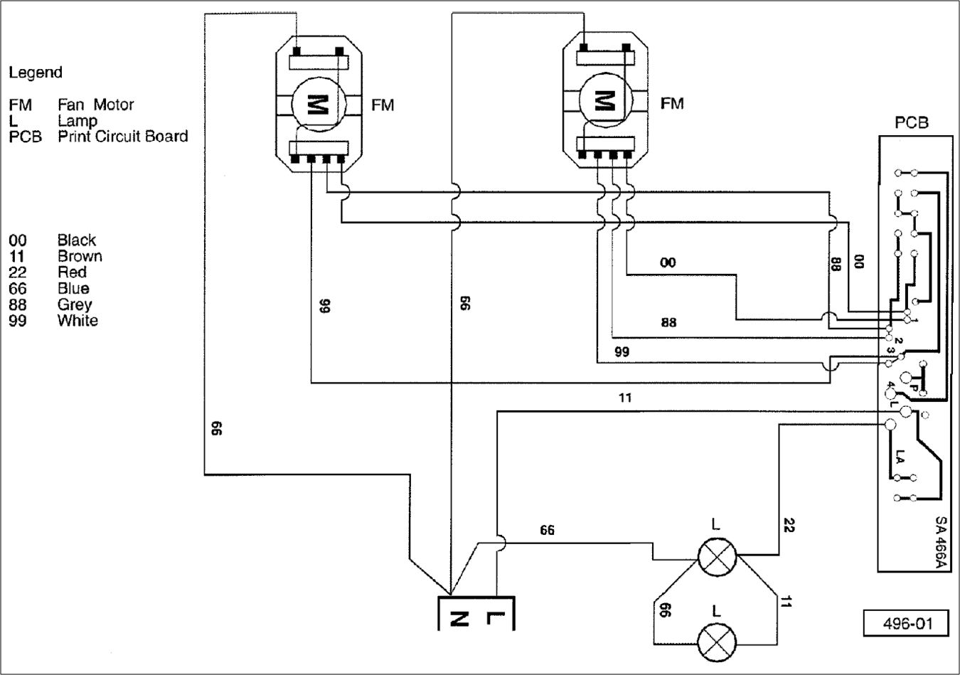
Wiring Diagram

Technical Data
Electricity
Voltage | 230-240 | V |
Frequency | 50 | Hz |
Power
Total | 320 | W |
Fan motor | 2x120 | W |
Illumination (Incandescent) | 2x40 | W |
Nominal air flow
Speed 1
External exhaustion | 170 | m³ /h |
Recirculation | 118 | m³ /h |
Speed 2
External exhaustion | 233 | m³ /h |
Recirculation | 145 | m³ /h |
Speed 3
External exhaustion | 316 | m³ /h |
Recirculation | 163 | m³ /h |
Noise level
Speed 1
External exhaustion | 55 | dB (A) |
Recirculation | 59 | dB (A) |
Speed 2
External exhaustion | 62 | dB (A) |
Recirculation | 67 | dB (A) |
Speed 3
External exhaustion | 69 | dB (A) |
Recirculation | 70 | dB (A) |
Distance from cooking area
Electric | 600 | mm |
Gas | 700 | mm |
Air exhaust Flange dia | 120 | mm |