
6AKZ 143/IX
6AKZ 143/IX
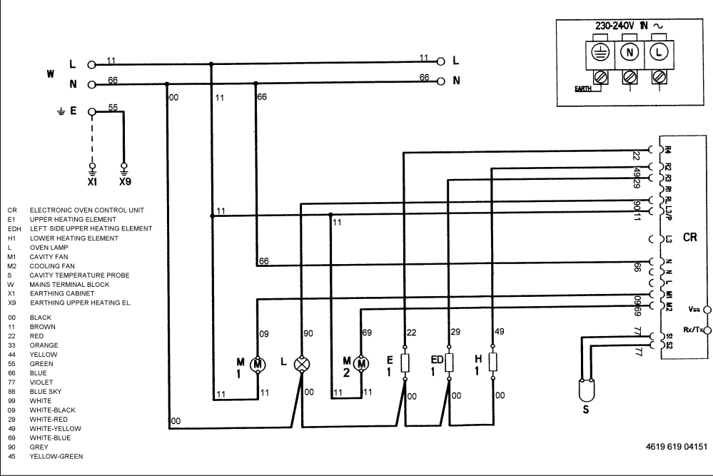
Wiring Diagram

Technical Data
Electrical Connection
Rated voltage | 230 - 240 V ~50 | Hz |
Main connection | 230 - 240 V 1N~ | |
Power usable contemporaneously | 2400 | W |
Lower heating element | 1390 | W |
Grill heating element | 2350 | W |
Electrical components
Auto timer | Interface module |
Accessories
Fat pan enameled | 375 x 445.5 | mm |
Grid chrome | 446.5 x 340 | mm |