
6AKZ 167/01 IX
6AKZ 167/01 IX
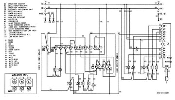
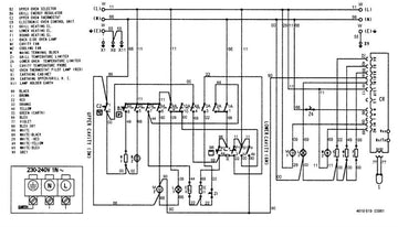
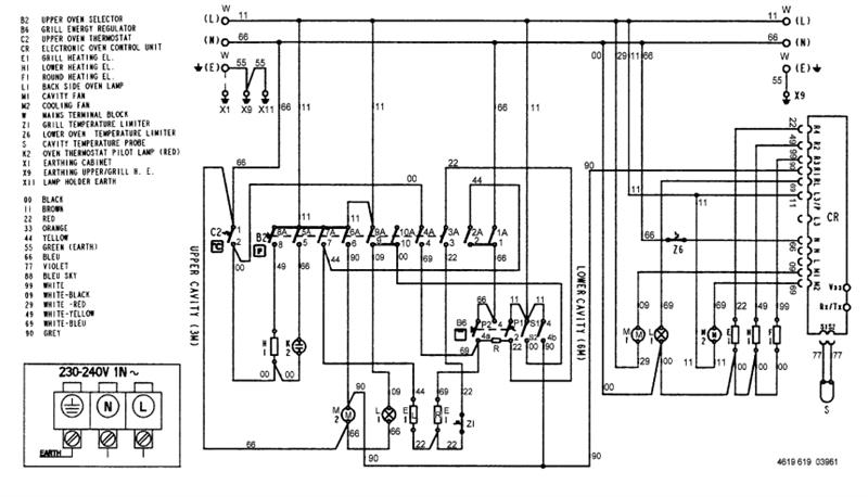
Wiring Diagram

Technical Data
Dimensions + Weight
Upper Oven | Height: 183 | Width: 425 | Depth: 405 | Volume: 51 | mm |
Lower Oven | Height: 303 | Width: 425 | Depth: 397 | mm |
Electrical Base Data
Rated Voltage | 230 ~ 240 | V |
Frequency | 50 | Hz |
Power Consumption
Total Connected Load | 4600 | W |
Upper Heating Element | 2350 | W |
Lower Heating Element | 1450 | W |
Forced Air | 1920 | W |
Dual Grill Left | 1340 | W |
Dual Grill Total | 2200 | W |
Electrical Components
Auto Timer | - | |
Interface Module | - | |
Thermostat Pilot Lamp | Red |
Configuration Code
Configuration Code | 2 |