
6AKZ 167/WH/01
6AKZ 167/WH/01
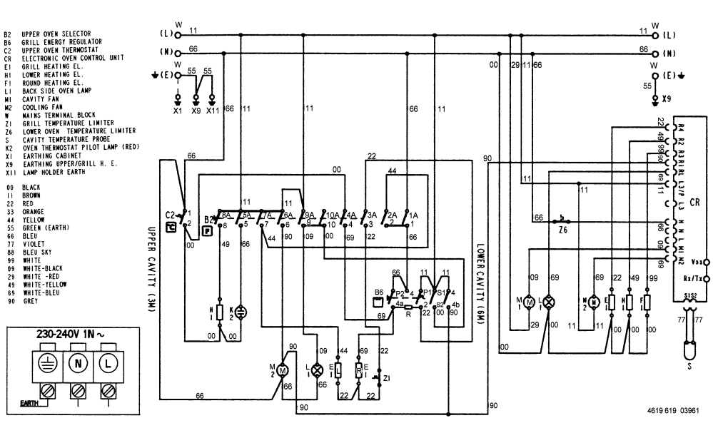
Wiring Diagram

Technical Data
Electrical Connection
Rated Voltage | 230 - 240 ~ | V |
Frequency | 50 | Hz |
Total Connected Load | 4600 | W |
Upper Oven
Cavity Dimensions | 183 x 425 x 405 | mm |
Volume | 31 | I |
Lower Heating Element | 960 | W |
Dual Grill Left | 1340 | W |
Dual Grill Total | 2200 | W |
Lower Oven
Cavity Dimensions | 4600 | W |
Volume | 2350 | W |
Upper Heating Element | 1450 | W |
Lower Heating Element | 1920 | W |
Circulation Heating Element | 1340 | W |
Electrical Components
Auto Timer | Interface Module |
Thermostat Pilot Lamp | Red |