
6AKZ 186/IX
6AKZ 186/IX
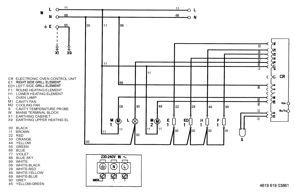
Wiring Diagram

Technical Data
Electrical connection
Rated Voltage | 230-240 | V | |
Main Connection | 230-240 V | 1N~ 50 | Hz |
Power usable contemporaneously | 2400 | W | |
Lower heating element | 1450 | W | |
Forced air | 1920 | W | |
Dual grill left | 1440 | W | |
Dual grill total | 2350 | W |
Electrical components
Auto timer | Interface module |
Accessories
Pan set enameled | 415 x 318 | mm |
Grid chrome | 446.5 x 340 | mm |