
6AKZ148/WH
6AKZ148/WH
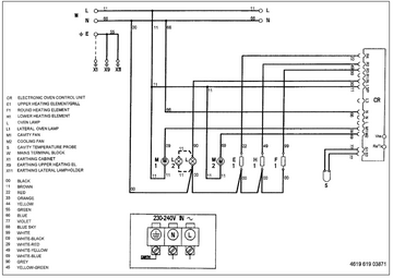
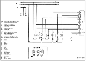
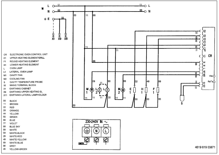
Wiring Diagram

Technical Data
Electrical Connection
Rated Voltage | 230 - 240 V ~ 50 | Hz | Main connection | Single phase and neutral | Maximum Input Power | 2400 | W |
Lower Heating Element | 1450 | W | Grill Element | 2350 | W |
Forced Air | 2000 | W |
Electrical Components
Auto timer | Interface Module |
Accessories
Fat Pan Enamelled | 375 x 445.5 | mm |
Grid Chrome (Griller grid x 1) | 372 x 260 | mm |
Grid Chrome (Shelf x 2) | 446.5 x 340 | mm |
Other Features
Self Clean Liners | On sides and rear |