
6AKZ152/WH
6AKZ152/WH
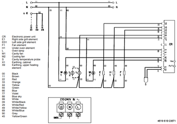
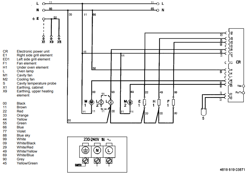
Wiring Diagram

Technical Data
Electrical Connection
Rated Voltage | 230 - 240 | V~ |
Main connection | 230-240 V 1N~ 50 | Hz |
Total connected load | 2400 | W |
Upper heating element/Grill | 2350 | W |
Lower heating element | 1450 | W |
Circulation heating element | 1920 | W |
Electrical Components
Auto timer | Interface Module |
Accessories
Pan set enamelled | 415 x 318 | mm |
Grid Chrome | 446.5 x 340 | mm |
Failure Codes
Fault | Defect | Intervention |
F01 | Temperature probe open or short circuit | Replace the temperature probe |
F02 | Overheating of the oven | Replace oven power unit |
F03 | Oven power unit failure | Replace oven power unit |
F04 | Oven power unit failure | Replace oven power unit |