
6AKR620 WH
6AKR620 WH
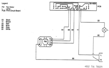
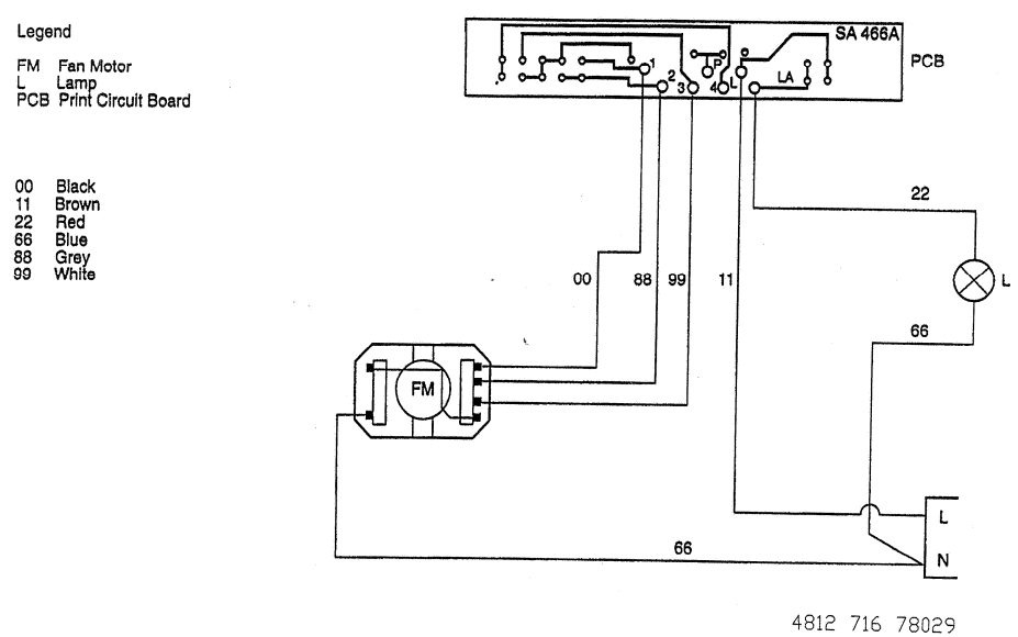
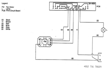
Wiring Diagram

Technical Data
Electrical Connection
Rated Voltage | 230 - 240 | W |
Frequency | 50 | Hz |
Rated Power
Fan motor | 120 | W |
Illumination | 40 | W |
Total | 160 | W |
Nominal air flow
Speed 1
External venting | 118 | m³ /h |
Recirculation | 87 | m³ /h |
Speed 2
External venting | 141 | m³ /h |
Recirculation | 117 | m³ /h |
Speed 3 (Maximum)
External venting | 195 | m³ /h |
Recirculation | 146 | m³ /h |
Noise level
Speed 1
External venting | 49 | dB (A) |
Recirculation | 51 | dB (A) |
Speed 2
External venting | 56 | dB (A) |
Recirculation | 61 | dB (A) |
Speed 3 (Maximum)
External venting | 65 | dB (A) |
Recirculation | 66 | dB (A) |
Installation Details
Minimum Vertical Distance from Cooktop Burner
Electric | 650 | mm |
Gas | 750 | mm |
Air exhaust
Flange | 100 | mm |
Duct diameter | 100 | mm |