
6ED25DQXFB00
6ED25DQXFB00

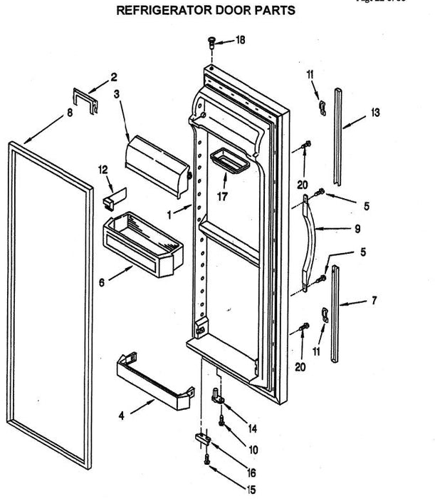
Exploded View 1

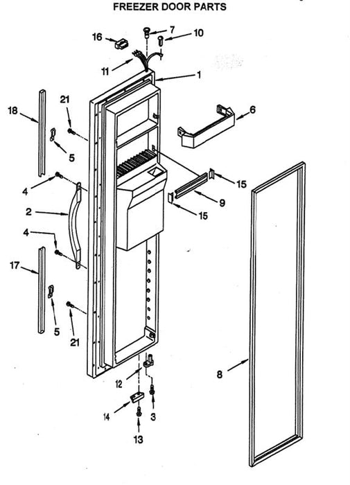
Exploded View 2

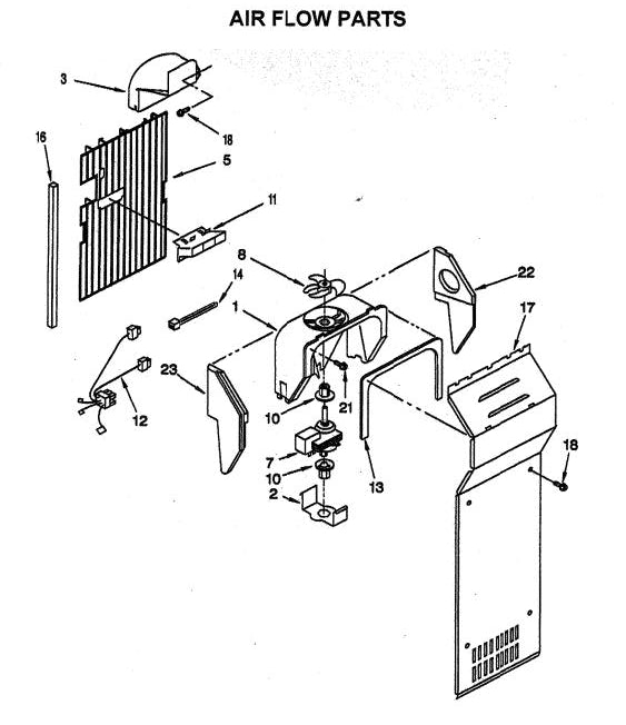
Exploded View 3

Exploded View 4

Exploded View 5

Exploded View 6

Exploded View 7

Exploded View 8

Exploded View 9

Exploded View 10

Exploded View 11

Exploded View 12