
6KAO 300/IN
6KAO 300/IN
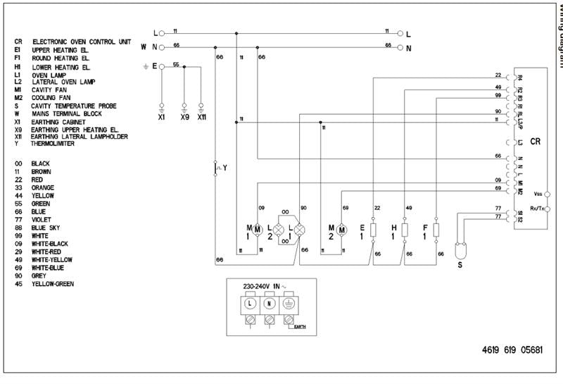
Wiring Diagram

Technical Data
Electrical Connection
Rated Voltage | 230 - 240 | V |
Main Connection | 230 - 240 V 1N ~ 50 | Hz |
Total Connected Load | 2400 | W |
Upper Heating Element/Grill Element | 2350 | W |
Lower Heating Element | 1450 | W |
Forced Air | 1920 | W |
Electrical Components
Auto Timer | Interface Module |
Accessories
Pan Set Enameled | 375 x 445.5 | mm |
Grid Chrome | 446.5 x 340 | mm |
Baking Tray Enameled | 375 x 445.5 | mm |