
ACE900IX
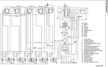
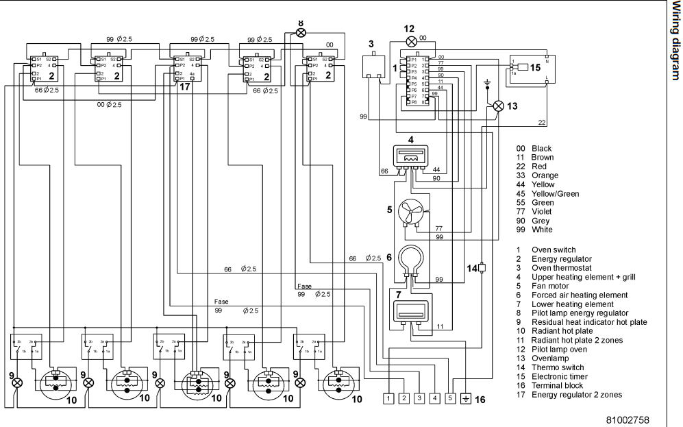
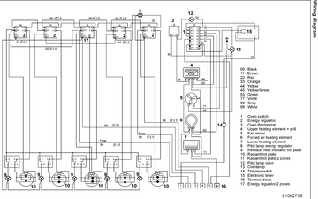
Wiring Diagram

Technical Data
Electrical connection
Voltage | 230 - 240 | V |
Frequency | 50 | Hz |
Oven dimensions
Height | 33 | cm |
Width | 74 | cm |
Depth | 42.3 | cm |
Volume | 105 | l |
Ceramic Hob Power
Front left plate | Ø 210 mm | 2200 | W |
Rear left plate | Ø 145 mm | 1200 | W |
Rear right plate | Ø 180 mm | 1800 | W |
Front right plate | Ø 180 mm | 1800 | W |
Central wok plate | Ø 265 mm | 2200 | W |
Oven power
Grill heating element | 2,8 | kW |
Fan heating element | 2,5 | kW |
Upper heating element | 1 | kW |
Lower heating element | 1,8 | kW |