
AKG 659/IX
AKG 659/IX
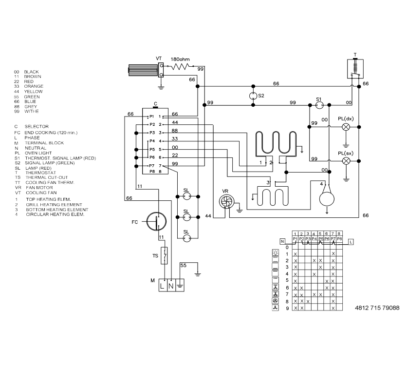
Wiring Diagram

Technical Data
Dimensions + Weight
Height | 480 | mm |
Width | 563 | mm |
Depth | 898 | mm |
Electrical Base Data
Voltage | 220 - 230 | V |
Frequency | 50 - 60 | Hz |
Power Consumption
Total Connected Load | 2700 | W |
Upper heating element | 1050 / 2500 | W |
Forced Air | 2500 | W |
Low Heating Element | 1550 | W |
Oven Light | 25 | W |