
AKP3534HIXAUS
AKP3534HIXAUS
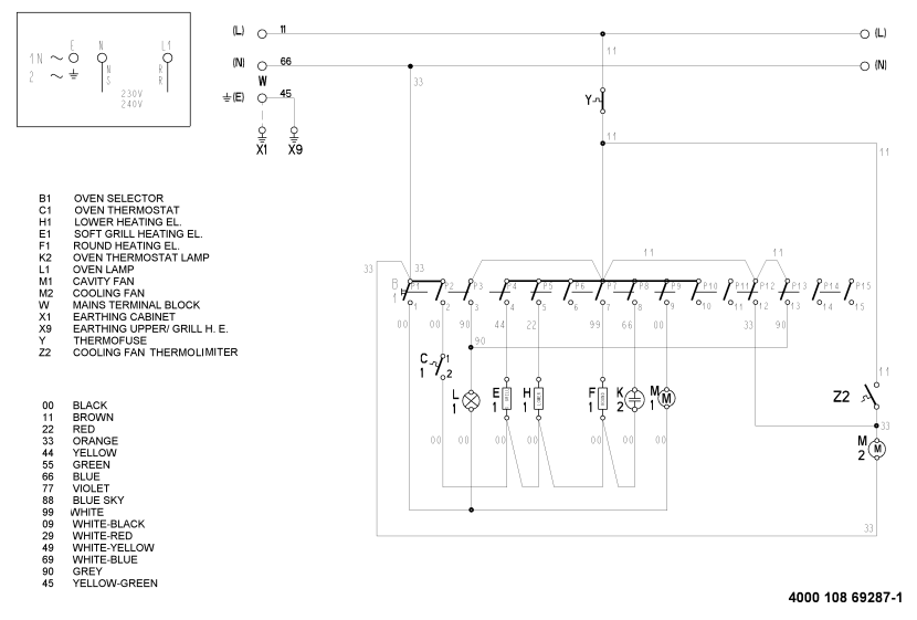
Wiring Diagram

Technical Data
Electrical Base Data
Rated Voltage | 220 - 240 | V |
Main connection | 220 - 240 V 1N~ 50/60 | Hz |
Power Consumption
Total connected load | 2750 | W |
Lower heating element | 1150 | W |
Grill heating element | 1500 | W |
Forced air | 1800 | W |
Electrical Components
Auto timer | Minute minder |
Accessories
Baking tray enameled | 475.5 x 364.5 | mm |
Grid chrome | 477 x 365 | mm |