
AKPM 759/WH
AKPM 759/WH
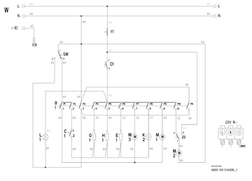
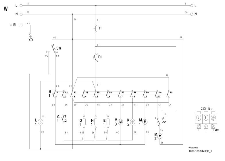
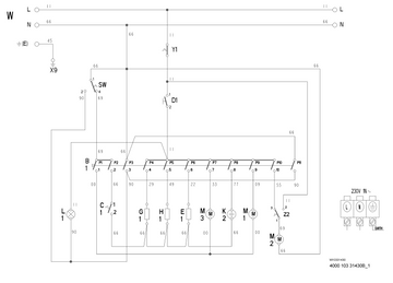
Wiring Diagram

Technical Data
Electrical Base Data
Rated Voltage | 230-240 | ~ | V |
Main Connection | 230-240 V | 1N~ 50 | Hz |
Power Consumption
Total Connected Load | 2700 | W |
Upper Heating Element/Grill | 950/2600 | W |
Lower Heating Element | 1200 | W |
Electrical Components
Auto timer | Automatic-off |
Accessories
Fat Pan Enameled | 452.5 x 375 | mm |
Grid Chrome | 451 x 375.2 | mm |