
AKR 675/WH
AKR 675/WH
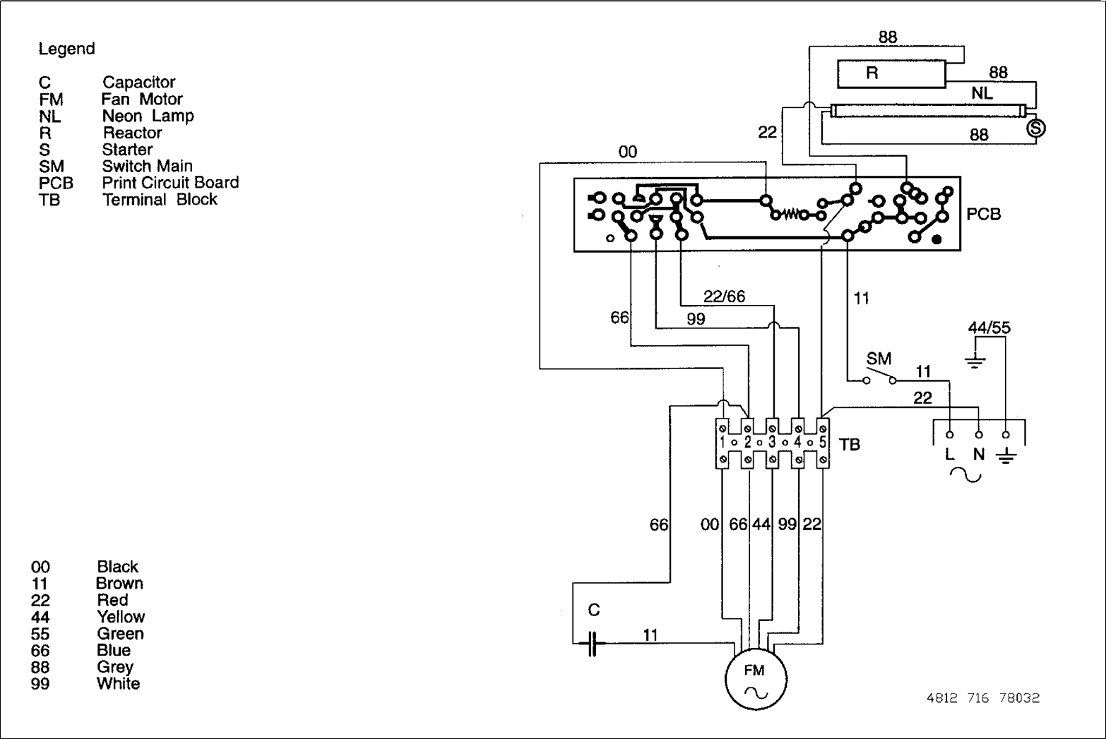
Wiring Diagram

Technical Data
Electricity
Voltage | 230 | V |
Frequency | 50 | Hz |
Power
Total | 200 | W |
Fan motor | 186 | W |
Illumination | 14 | W |
Nominal air flow
Speed 1
External exhaustion | 194 | m³ /h |
Recirculation | 155 | m³ /h |
Speed 2
External exhaustion | 312 | m³ /h |
Recirculation | 256 | m³ /h |
Speed 3
External exhaustion | 417 | m³ /h |
Recirculation | 340 | m³ /h |
Intensive Speed
External exhaustion | 510 | m³ /h |
Recirculation | 420 | m³ /h |
Noise level
Speed 1
External exhaustion | 50 | dB (A) |
Recirculation | 51 | dB (A) |
Speed 2
External exhaustion | 61 | dB (A) |
Recirculation | 62 | dB (A) |
Speed 3
External exhaustion | 68 | dB (A) |
Recirculation | 69 | dB (A) |
Intensive Speed
External exhaustion | 71 | dB (A) |
Recirculation | 73 | dB (A) |
Distance from cooking area
Electric | 650 | mm |
Gas | 750 | mm |
Air exhaust
Flange | 120 | mm |