
AKR 676 IX
AKR 676 IX
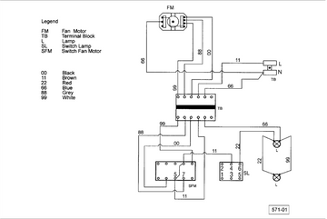
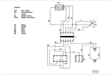
Wiring Diagram

Technical Data
Electricity
Voltage | 220 - 230 | V |
Frequency | 50 | Hz |
Power
Total | 250 | W |
Fan motor | 170 | W |
Illumination | 2x40 | W |
Nominal air flow
Speed 1
External exhaustion | 219 | m³ /h |
Recirculation | 130 | m³ /h |
Speed 2
External exhaustion | 336 | m³ /h |
Recirculation | 278 | m³ /h |
Speed 3
External exhaustion | 402 | m³ /h |
Recirculation | 297 | m³ /h |
Noise level
Speed 1
External exhaustion | 43 | dB (A) |
Recirculation | 47 | dB (A) |
Speed 2
External exhaustion | 63 | dB (A) |
Recirculation | 66 | dB (A) |
Speed 3
External exhaustion | 67 | dB (A) |
Recirculation | 68 | dB (A) |
Distance from cooking area
Electric | 650 | mm |
Gas | 750 | mm |
Air exhaust
Flange | 120 | mm |