
AKR 901/1 IX
AKR 901/1 IX
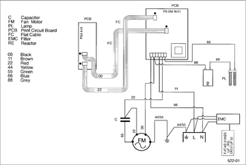
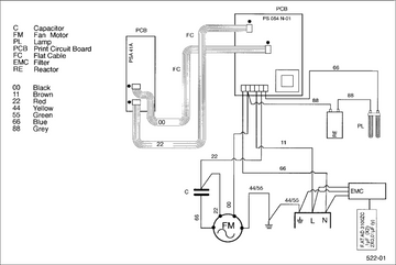
Wiring Diagram

Technical Data
Electricity
Voltage | 230 | V |
Frequency | 50 | Hz |
Power
Total | 226 | W |
Fan motor | 215 | W |
Illumination | 11 | W |
Nominal air flow
Speed 1
External exhaustion | 243 | mÂł /h |
Recirculation | 151 | mÂł /h |
Speed 2
External exhaustion | 384 | mÂł /h |
Recirculation | 237 | mÂł /h |
Speed 3
External exhaustion | 479 | mÂł /h |
260 | mÂł /h |
Intensive Speed
External exhaustion | 630 | mÂł /h |
Recirculation | 280 | mÂł /h |
Noise level
Speed 1
External exhaustion | 50 | dB (A) |
Recirculation | 57 | dB (A) |
Speed 2
External exhaustion | 60 | dB (A) |
Recirculation | 67 | dB (A) |
Speed 3
External exhaustion | 66 | dB (A) |
Recirculation | 69 | dB (A) |
Intensive Speed
External exhaustion | 70 | dB (A) |
Recirculation | 70 | dB (A) |
Distance from cooking area
Electric | 650 | mm |
Gas | 750 | mm |
Air exhaust
Flange | 150 | mm |