
AKR 901 IX-1
AKR 901 IX-1
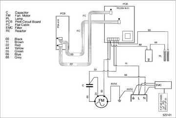
Wiring Diagram

Technical Data
Electricity
Voltage | 220-230 | V |
Frequency | 50 | Hz |
Power
Total | 226 | W |
Fan motor | 215 | W |
Illumination | 1 x 11 | W |
Nominal air flow
Speed 1
External exhaustion | 243 | mÂł /h |
Recirculation | --- | mÂł /h |
Speed 2
External exhaustion | 384 | mÂł /h |
Recirculation | --- | mÂł /h |
Speed 3
External exhaustion | 479 | mÂł /h |
Recirculation | --- | mÂł /h |
Speed 4
External exhaustion | 594 | mÂł /h |
Recirculation | --- | mÂł /h |
Noise level
Speed 1
External exhaustion | 49.7 | dB (A) |
Recirculation | --- | dB (A) |
Speed 2
External exhaustion | 60.4 | dB (A) |
Recirculation | --- | dB (A) |
Speed 3
External exhaustion | 65.6 | dB (A) |
Recirculation | --- | dB (A) |
Speed 4
External exhaustion | 70 | dB (A) |
Recirculation | --- | dB (A) |
Distance from cooking area
Electric | 600 | mm |
Gas | 750 | mm |
Air exhaust
Flange | 150 | mm |