
AKZ 177/WH
AKZ 177/WH
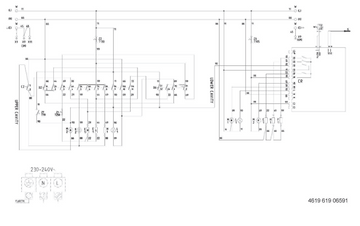
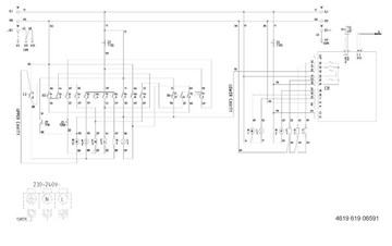
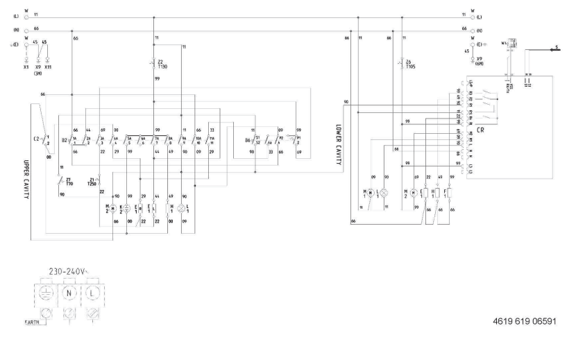
Wiring Diagram

Technical Data
Electrical Base Data
Rated Voltage | 240 | V~ |
Main connection | 240 V 50 | Hz |
Total power | 6100 | W |
Upper Oven
Cavity dimensions | 183 x 425 x 405 | mm |
Volume | 31 | dm³ |
Lower heating element | 960 | W |
Dual grill left | 1340 | W |
Dual Grill total | 2200 | W |
Lower Oven
Cavity dimensions | 303 x 425 x 397 | mm |
Volume | 51 | dm³ |
Lower heating element | 1390 | W |
Dual grill left | 2350 | W |
Forced air | 1920 | W |
Electrical Components
Auto timer | Interface module |
Thermostat pilot lamp | Red |