
AKZM755IX
AKZM755IX
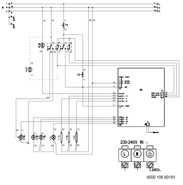
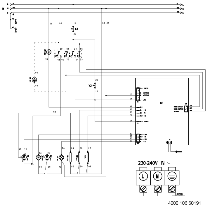
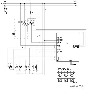
Wiring Diagram

Technical Data
Electrical Base Data
Rated Voltage | 230-240 V~ 50/60 | Hz |
Power Consumption
Total connected load | 2700 | W |
Upper heating element/Grill | 2550 | W |
Forced air | 2550 | W |
Lower heating element | 1200 | W |
Electrical Components
Auto timer | G2 EVO |
Accessories
Fat pan enameled | 452.5 x 375.2 | mm |
Grid chrome | 452.5 x 369.2 | mm |