
AKZM 756/IX
AKZM 756/IX
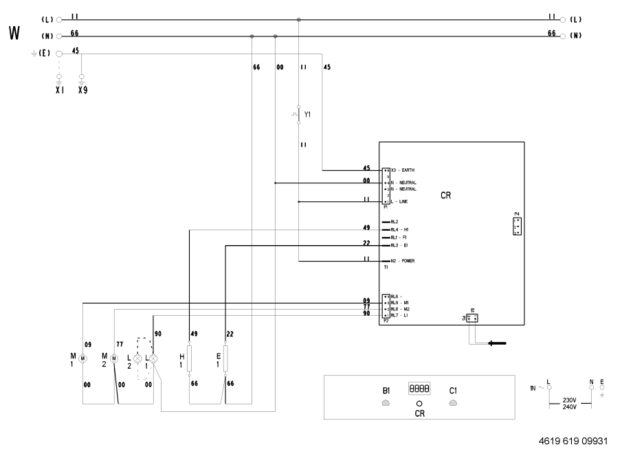
Wiring Diagram

Technical Data
Electrical Base Data
Rated Voltage | 230-240 ~ | V |
Main connection | 230-240 V 1N~50 | Hz |
Power Consumption
Total connected load | 2700 | W |
Upper heating element/Grill | 2350 | W |
Lower heating element | 1100 | W |
Electrical Components
Auto timer | G2 EVO |
Accessories
Fat pan enameled | 452.5 x 375 | mm |
Grid chrome | 451 x 375.2 | mm |