
AWG 274
AWG 274
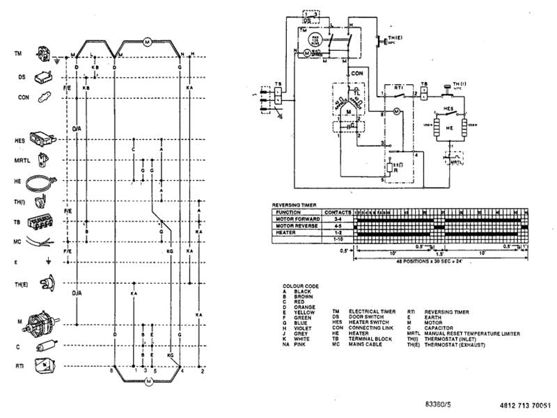
Wiring Diagram

Technical Data
Model | AWG 274 |
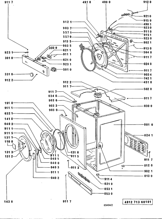
Dimension
Height | 85 | cm |
Width | 59.6 | cm |
Depth | 53.0 | cm |
Depth when rear vent hose assembled | 60 | cm |
Weight
With packing | ca. 31.5 | kg |
Without packing | ca. 31 | kg |
General specifications
Voltage | 220 / 50 | V / Hz |
Connected load | 2.7 | kW |
Fuse | 15 | A |
Wall socket must have an efficient earth connection |
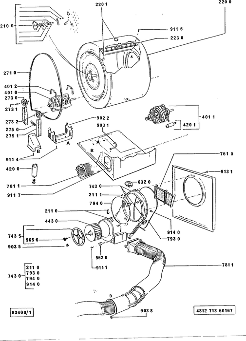
Drum Data
Volume | 105 | l |
Drum Speed | 55 / 59 | rpm |
Maximum capacity of dry laundry | ||
Programs: | ||
Cotton | Maxi. 5 | kg |
Rotation | 10.54 min. clockwise | |
1.5 min. anti-clockwise |
Air flow | 140 | m3/h |
Electrical building parts
Heating | twin tubular sheathed element | |
Power consumption: | ||
Low Setting | 1250 | W |
High setting | 2500 | W |
Motor
Permanent split capacitor induction. 4 pole reversing. Thermal overload protection | approx. 130 | °C |
Alternative Types: | ||
OLMO-P/N 3951.01 | 8 µF capacitor | |
EMERSON K58ZZBLW-9277 | 8 µF capacitor | |
LEMAC 54542-205 | 8 µF capacitor | |
EMERSON K58ZZNND-4782 | 8 µF capacitor | |
CESET PN CPI 4/78-149/CR01 | 8 µF capacitor |
Timer
Sibel Electric single pole | ||
Type | CS 1079 | |
Duration | max. 120 | min |
Reversing Timer
Electric motor driven | ZBN 8221 D 03 | |
Eaton single pole -24 minutes complete cycle -Features 2,5 ohms resistance to internal switching voltage surge. | ||
a) Alternates main motor current -forward 10,5 minutes -reverse 1,5 minutes | ||
b) Alternates heater current -on 10 minutes -off 2 minutes |
Thermostats
Heater temperature limiter (MRTL) | ||
Bi -metal -contacts normally closed | ||
Contacts open | 120 ± 5 | °C |
Contacts reset by manual operation | ||
Inlet (heater) thermostat | ||
Bi -metal -contacts normally closed | ||
Contacts open | 143 ± 4 | °C |
Contacts reset | 110 ± 8 | °C |
Exhaust thermostat | ||
Bi -metal -contacts normally closed | ||
Contacts open | 60 ± 3 | °C |
Contacts reset | 49 ± 4 | °C |
Accessories | ||
Stacking kit | (White surround) for dual stacked appliances | |
Wall / window vent kit | For permanent installations |